Ürün R90C-4UI-MQ
G/Ç göbeği
4-kanal
IO-Link
Ident-No.: 3813596- Koruma sınıfı IP67
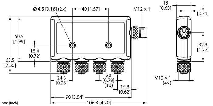
- Düz, kompakt gövde
- Bağlantı: 4 × erkek konektör, M12 × 1; 1 × dişi konektör, M12 × 1
- Çalışma gerilimi: 18…30 VDC
- Giriş: 4 × analog, yapılandırılabilir
- Çıkış: 4 × analog, yapılandırılabilir
- IO-Link
- Analog sinyalleri işlem verilerine dönüştürür

Genel veriler
| EAN | 662488114985 |
| Gümrük tarife numarası | 85176990000 |
| Menşei ülke | US |
| Ağırlık | 151.5 g |
Teknik Veriler
| Cihaz tipi | G/Ç göbeği |
| Tasarım | Dikdörtgen |
| Antenna connection | Radyo katılımcısı yok |
| Runs with battery | Hayır |
| İletişim protokolü | IO-Link |
| Elektriksel bağlantı | Konektörler, M12 × 1 |
| Gövde malzemesi | Plastik |
| Ortam sıcaklığı | -40…+70 °C |
| IP Derecesi | IP67/IP68 |

