Ürün SI-HGZ63FQDRR
Güvenlik teknolojisi
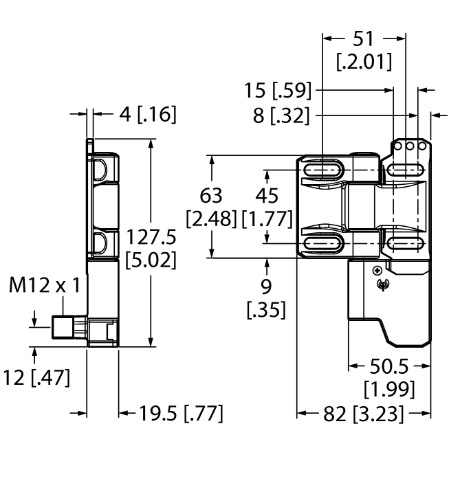
Menteşe
Ident-No.: 3025584Alternatif sipariş numarası : 25584
- Kapı menteşesi anahtarı
- IEC 60947-5-1'i karşılar
- Son derece dayanıklı PBT gövdeye entegre güvenlik kilit anahtarı
- Anahtarlama noktası yeniden konumlandırılabilir
- Müdahaleye dayanıklı
- Anahtarlama noktası 0° ile 270° derece arasında ayarlanabilir
- Anahtar döndürülebilir ve karşı taraftan çalıştırılabilir
- Çinko kalıp döküm menteşe, 1200 N'lik (120 kg) bir yükü destekler
- Sağ menteşe
- Açılı konektör
- 2 güvenlik çıkışı, NK
- 1 yedek kontak, NA
- SIL 3 (IEC 61508)
- PL e (ISO 13849-1)

Genel veriler
| EAN | 662488255848 |
| Gümrük tarife numarası | 85365019000 |
| Menşei ülke | DE |
| Ağırlık | 389 g |
Teknik Veriler
| İşlev | Menteşeli güvenlik anahtarı |
| Tasarım | Dikdörtgen |
| Cascadable | Hayır |
| Çıkış işlevi | 2 x NK kontak, Potansiyelsiz |
| Elektriksel bağlantı | Konektörler, M12 × 1 |
| EN ISO 13849-1'e göre PL | Level e |
| SIL acc. to IEC 61508 | 3 |
| Category acc. to DIN EN 13849-1:2008 | 4 |
| Kodlama seviyesi/kurcalama koruması | Kodlanmamış |
| Gövde malzemesi | Metal, Kalıp döküm çinko alaşımı |
| Ortam sıcaklığı | -25…+70 °C |
| IP Derecesi | IP67 |

