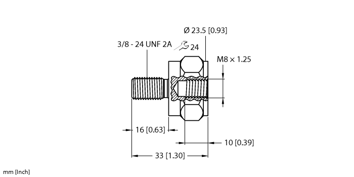
Ürün  MA-M8-3/8-24UNF2A

Montaj adaptörü

Ident-No.: 100050778
    • Dişi diş: M8 × 10 mm
    • Erkek diş: 3/8″ 24 UNF 2A
    • Paslanmaz çelik, V4A
#

Genel veriler

EAN 4047101678543
Gümrük tarife numarası 73269098900
Menşei ülke DE
Ağırlık 68 g

Data Sheets

Select Country

Turck worldwide

to top